Aplicatia 5 - Aplicatii SCADA in energetica - Scheme monofilare


Obiective Prezentare teoretica

Scheme monofilare

    Pentru a realiza scheme monofilare avem nevoie de o serie de simboluri cum ar fi simboluri pentru: separatoare, intreruptoare, transformatoare etc.
    O schema monofilara contine o serie de elemente de comutatie cum ar fi separatoare, intreruptoare, etc. Exista o ordine in care se actioneaza cele doua elemente, in sensul ca separatorul nu poate fi niciodata actionat in sarcina.
    In sistemele energetice, inchiderea respectiv deschiderea unui separator sau a unui intreruptor nu este instantanee. In aplicatiile SCADA se tine cont de acest fenomen. Dupa comanda actionarii unui element se scurge un interval de timp pana la efectuarea completa a comenzii. Dupa actionarea uniui element e nevoie de un semnal care sa confirme efectuarea comenzii.
    Pentru testarea aplicatiilor SCADA fara conectare la sistemul real de achizitie si comanda, inchiderea respectiv deschiderea elementelor de comutatie, ar putea fi simulata printr-o marime analogica, avand valori intre 0 si 100%. Pe schema aceasta valoare ar putea fi simulata prin utilizarea unui control de tip "Slider" care ar fi in legatura cu un tag de tip analogic.
    Starea fiecarui element plasat pe HMI este controlata de tag-ul corespunzator.
    In multe cazuri in cadrul schemelor monofilare se intalnesc mai multe elemente de acelasi tip. In acest caz se recomanda definirea tag-urilor de tip Array si utilizarea instructiunilor repetitive.
     In cazul sistemelor de alimentare cu energie, avand mai multe linii, pentru a evita socurile de sarcina, conectarea respectiv deconectarea acestora se face secvential intr-o ordine prestabilita, in functie de importanta utilizatoruli. Pentru a memora prioritatea cobnsumatorilor, se recomanta utilizarea unui vector de prioritati.
    Tag-urile sunt actualizate de sistemul de achizitie si comanda. Acesta este prevazut atat cu elemente pentru citirea strilor cat si cu elemente de comanda.
    Logica de functionare a unei scheme monofilare se implementeaza intr-o pagina grafica prin intermediul instructiunilor si functiilor scrise in limbajul "Cicode".

  • Utilizarea instructiunilor decizionale

        Instructiunea if se foloseste pentru a selecta executia unei instructiuni (sau a unui grup de instructiuni) functie de valoarea logica a unei expresii relationale

        Formatul instructiunii:
        Instructiunea if are urmatoarele formate:

        If expresie relationala THEN
          instructiune(instructiuni);
        END


        sau

        If expresie relationala THEN
          instructiune(instructiuni);
        ELSE
          instructiune(instructiuni);
        END


  • Utilizarea functiilor

        Formatul pentru definirea unei functii fara parametri si fara returnare de valori:
        Pentru definirea unei astfel de functii se foloseste urmatorul format:

        FUNCTION nume_functie()
          declaratii;
          .
          .
          .
          declaratii;
        END


        Formatul pentru definirea unei functii cu parametri si fara returnare de valori:
        Pentru definirea unei astfel de functii se foloseste urmatorul format:

        FUNCTION nume_functie(Argumente)
          declaratii;
          .
          .
          .
          declaratii;
        END


        Formatul pentru definirea unei functii cu parametri si cu returnare de valori:
        Pentru definirea unei astfel de functii se foloseste urmatorul format:

        Tip valoare returnata FUNCTION nume_functie(Argumente)
          declaratii;
          .
          .
          .
          declaratii;
          RETURN valoare
        END


  • Utilizarea instructiunilor repetitive

        Instructiunea for Se foloseste pentru a executa repetitiv o instructiune sau o secventa de instructiuni. De obicei implementeaza structura ciclica cu numar cunoscut de pasi.

        Formatul instructiunii:
        Instructiunea for are urmatorul format:

        FOR Variabila=expresie1 TO expresie2 DO
          instructiune(instructiuni;)
        END

          Unde expresie1 este valoarea de start a variabilei iar expresie2 este valoarea de stop a variabilei.

    Tematica de laborator

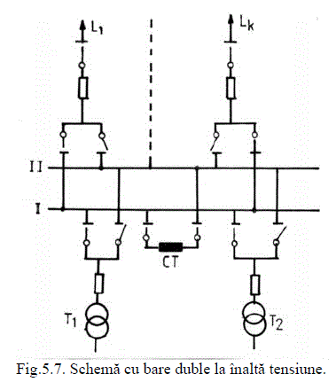
        Utilizand mediul de dezvoltare SCADA-CITECT creati o pagina grafica care sa simuleze o schema monofilara a unei statii de transformare cu bare duble si separatoare de ocolire.
        Se va crea un noun proiect cu numele Labs in in care se va crea pagina labs5_00 similara cu pagina grafica de jos:


        Se vor crea doua functii necesare comutarii alimentarii pe bara1 respectiv pe bara2


        Introduceti functii noi care sa permita actionarea separatoarelor si intreruptoarelor pentru diverse manevre dar cu respectarea conditiilor:

        Utilizand mediul de dezvoltare SCADA-CITECT creati o pagina grafica care sa simuleze o schema monofilara in care se conecteaza secvential liniile. Se va folosi instructiunea FOR si functia predefinita sleep(). Se va crea pagina labs5_01 similara cu pagina grafica de jos:


        In cadrul acestei scheme monofilare se intalnesc mai multe elemente de acelasi tip. Vom defini tag-uri de tip Array si vom utiliza instructiuni repetitive pentru controlul acestor tag-uri.
        Pentru inchiderea respectiv deschiderea elementelor de comutatie, vom introduce doua tag-uri de tip Array:

    Tag-uri aferente
    Nume Tip Domeniu Um Array Size Comentariu
    sep DIGITAL - - 11 Separatoarele sep[1]-sep[10]
    intr DIGITAL - - 11 Intreruptoarele intr[1]-intr[10]


        Pe evenimentele click ale butoanelor "ON" respectiv "OFF" sunt afectate doua variabile tag locale:

    Tag-uri aferente
    Nume Tip Domeniu Um Comentariu
    cmd_on DIGITAL - - Comanda inchiderea elementelor de comutatie
    cmd_off DIGITAL - - Comanda deschiderea elementelor de comutatie
    i INT - - Index


        Se stabileste vectorul de prioritati de conectare sub forma:

    INT Prior[11]=0,1,5,7,4,2,9,3,6,8,10;


        Se va crea functia atribuita butonului ON numita: FUNCTION sch1_on() respectiv functia atribuita butonului OFF numita: FUNCTION sch1_off().
        Se va crea pagina labs5_02 similara cu pagina grafica labs5_01 cu deosebirea ca in acesata pagina se va tine cont de ordinea de comutare referitoare la separatori si intreruptori. Se va rescrie deci functia atribuita butonului ON si se va numi: FUNCTION sch2_on() respectiv functia atribuita butonului OFF si se va numi: FUNCTION sch2_off()

    Cerinte de rezolvat

    Derularea activitatilor

    Prezentarea rezultatelor

    Aplicatii suplimentare     Exemple de scheme monofilare: