Teme program
- Folosind controlul grafic Waveform Graph afisati forma de unda pentru un numarator pe 4 biti

- Folosind controlul grafic Mixed Signal Graph afisati forma de unda pentru un numarator pe 4 biti

- Afisarea formelor de unda ale unui divizor zecimal 74LS192.
In cadrul acestui laborator se utilizeaza:
- modulul aplicatii + Divizor zecimal:
- subvi_urile:
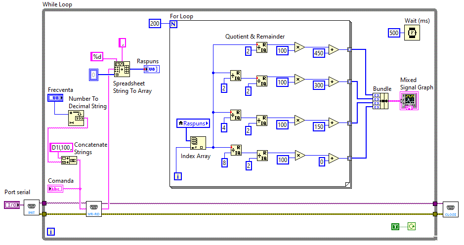
- Numarator zecimal pe 4 biti afisat pe Mixed Signal Graph labs_5_02

- Diagrama bloc:

- Folosind controlul de tip "Mixed Signal Graph" afisati pe 5 canale generatoarele startate cu comanda "SG" si citite cu comanda "M1"

- Folosind controlul de tip "Mixed Signal Graph" afisati cinci functii utilizand 5 canale

- Utilizati structuri de date pentru a afisa ecuatiile Leonard-Johnson intr-un control "XY Graph"
- Ecuatia se refera la potentialul electric V(r) al unei particule.
V(r)=4eps[(sig/r)12-(sig/r)6]
-unde r este distanta dintre doua particule care interactioneaza, eps este adancimea
gropii de potential (denumita de obicei "energie de dispersie") si sig este distanta la care energia potentiala
particula-particula V este zero (denumita adesea ca "dimensiunea particulei").
- Ecuatiile Leonard-Johnson labs_5_04

- Diagrama bloc:

- In vederea utilizarii controlului "XY Graph" a trebuit creata o structura in care sa se
plaseze perechile de valor x,y. In urma celor 1000 de iteratii, rezulta doi vectori cu cate 1000 de elemente. Acesti vectori, nu
se pot atribui direct controlului "XY Graph" respectiv intrarilor X Input respectiv Y Input. S-a utilizat functia
"Convert to Dynamic Data Express VI" obtinandu-se astfel structura de date aceptata de intrarile X Input respectiv Y Input.