















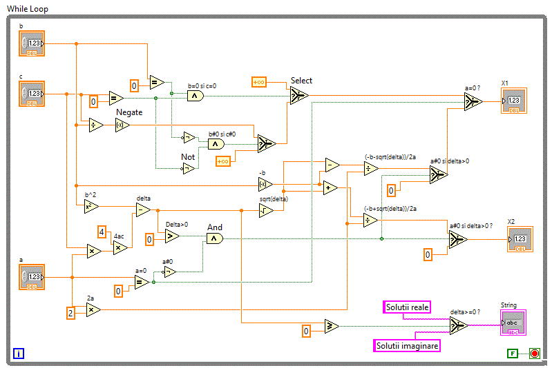
delta=b*b-4*a*c;
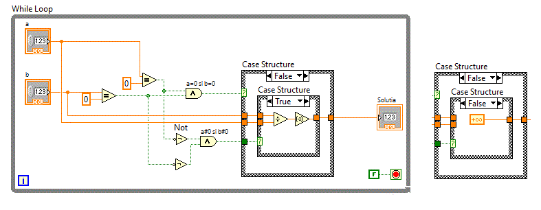
if(a!=0){
if (delta>=0){
x1=(-b-sqrt(delta))/2*a;
x2=(-b+sqrt(delta))/2*a;
msg=1; // Solutii reale
}
else{
msg=2; // Solutii imaginare
x1=0; x2=0;
}
}
else{
if(c==0){
x1=inf; x2=inf;
}
else{
x1=-b/c; x2=-b/c;
}
}
if ((a==0)&&(b==0)){
msg=3; x1=inf; x2=inf;
}
|











