Aplicatii in energetica
Utilizarea generatoarelor de semnal
Vom folosi bibioteca "Signal Processing" din care vom lua diferite elemente cum ar fi:
- Functions => Signal Processing => Wfm Generation => Basic Function Generator
- Functions => Signal Processing => "Vfm Generation" => "Sawtooth Wfm"
- Functions => Signal Processing => "Vfm Measure" =>"Spectral"
- Functions => Signal Processing => "Vfm Measure" =>"Pulse Measurements"
- Functions => Signal Processing => "Vfm Measure" =>"Amplitude and Levels"
- Functions => Signal Processing => "Vfm Measure" =>"Tone Measurements"
Urmatoarea aplicatie energ_v0_v0 utilizeaza generatoare
de semnal pentru a simula formele de unda dintr-un sistem energetic:
Diagrama bloc:
Masurarea parametrilor
Vom crea un VI energ_v1_v0
Diagrama bloc:
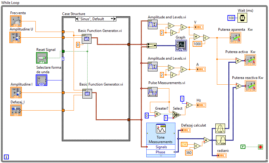
Masurarea puterilor
Aplicatia energ_v2_v0 masoara
puterea aparenta, puterea activa, si puterea reactiva.
Se simuleaza tensiunea si curentul, dupa care se masoara amplitudinea, frecventa si defazajul in vederea
calcularii puterilor.
Diagrama bloc:
Analiza spectrala
Aplicatia energ_v3_v0 realizeaza
analiza spectrala pentru a pune in evidenta armonicile tensiunii.
Diagrama bloc:
Defazajul dintre tensiune si curent
Pentru analiza defazajului dintre tensiune si curent, vom folosi un circuit RLC:
Schema circuitului:
Trebuie sa alimentam circuitul cu tensiune alternativa si sa analizam defazajul functie de
configuratia circuitului.
Tensiunea si curentul vor fi analizate prin intermediul modulului de achizitie date " NI myDAQ":
Acest modul dispune de iesiri analogice prin care vom genera tensiunea de alimentare si intrari
analogice cu intrare diferentiala prin care vom analiza tensiunea si curentul.
Vom conecta circuitul RLC la myDAQ conform schemei:
Circuitul este alimentat de iesirea AO 0. Aceasta iesire este conectata si la intrarea AI 0 in
vederea afisarii ei, de asemenea tensiunea de pe rezistenta(proportionala cu curentul), este conectata la intrarea AI 1 in vederea afisarii.
Folosim aplicatia pentru comanda modulului "NI ELVIS":
Lansam aplicatia FGEN (Function Generator), astfel se activeaza un generator de semnal pe iesirea AO 0.
Lansam aplicatia "Scope" (Osciloscope) pentru vizualizarea formelor de unda pe un osciloscop.
Realizam configuratia RL ( prin comutarea pe pozitia L). Setam frecventa generatorului la 500 Hz.
Pe aplicatia "Osciloscope" vizualizam forma de unda a tensiunii in urma formei de unda a curentului.
Realizam configuratia RC ( prin comutarea pe pozitia C). Setam frecventa generatorului la 10 Hz.
Pe aplicatia "Osciloscope" vizualizam forma de unda a tensiunii in fata formei de unda a curentului.
Realizam configuratia RL ( prin comutarea pe pozitia L). Setam frecventa generatorului la 50 Hz si
alegm forma de unda triunghiulara.
Lansam aplicatia DSA (Dynamic Sygnal Analyser) pentru a realiza analiza spectrala a circuitului RL.